-
Ürün Özellikleri
-
Ödeme Seçenekleri
-
Yorumlar (0)
-
Tavsiye Et
-
Öneri Kutusu
-
Tecimm Tec K280M Manyetik Kilit 280 Kg
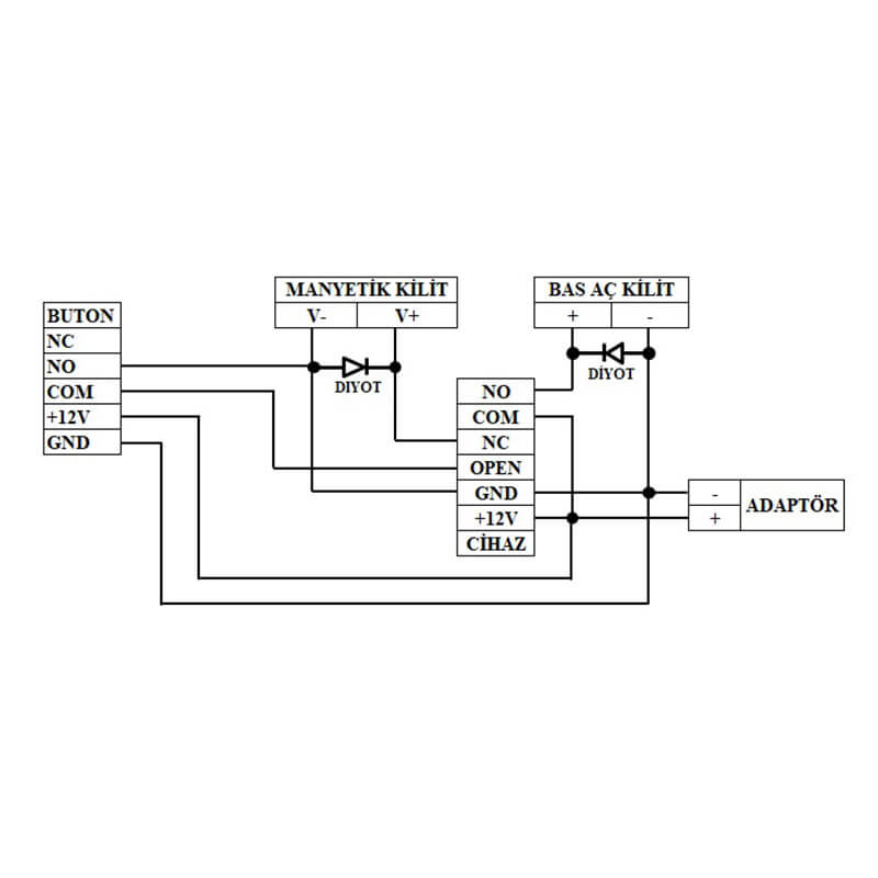
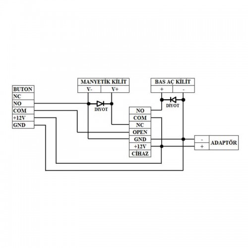
Manyetik Kilit 280 Kg. çekme gücüni karşılar. L ve Z aparatlarıyla kullanılır. Fail Safe(Enerji Yokken Açık) Elektrik kesildiğinde kapı açık kalır. Devamlı enerji gelmesi gerekir. Ys502/p110 un turuncu ucu bağlı olmalıdır(NC) ucu DC 12 V ile çalışır.
Ankara'da bulunan TECIMM firması Türkiye'nin dört bir yanına manyetik kilit satışı ve teknik servisi gerçekleştirmektedir. Manyetik Kilitleri 12V DC ile çalışmaktadır. 60kg, 180kg, 280 kg 'lık manyetik kilitleri mevcuttur.
Manyetik Kilit Nasıl Çalışır?
Manyetik kilitler kart okuyucuların NC ucuyla bağlanarak sürekli enerji alarak çalışırlar. Kart okuyucudan kart veya çip okutulduğunda kontak açık hale gelerek enerjiyi keser ve manyetizma devre dışı kalır. Kapı açılır. Manyetik kilitler L ve Z aparatlarıyla kullanılır. Yangın kapılarında özellikle tercih edilir. Yangın çıktığında elektrikler kesildiğinde kapı açık kalır.
Teknik Özellikler
- Uzunluk : 17cm
- Genişlik: 3cm
- Yükseklik: 2.5 cm
